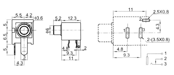
Specification:
Temperature -30~70℃
Rate Load: DC30V 0.5A
Contact Resistance: ≤0.03
Insulation Resistance: ≥100M
Electrically Life:≥ 5,000 cycles
Withstand Voltage:AC500V(50HZ)/min
Actuating Force 3 ~ 20N
Get Price
PDF Download
Skype
3.5mm Phone Jack PJ-30030
